CL100 Series Energy Feedback Unit
Product Advantages
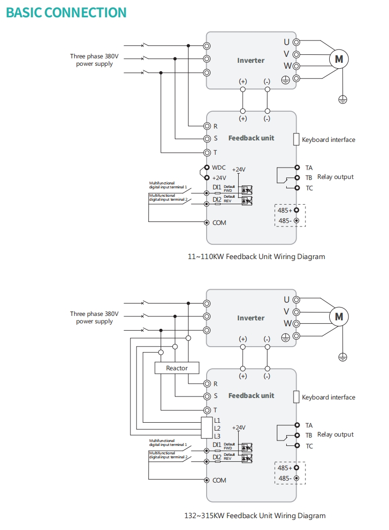
Basic Wiring Diagram
Rr1 Outline and copper bar structure diagram
Product Specifications
OBTAIN SAMPLES
Effective, safe and reliable. Our equipment guarantees the right solution for any requirement. Benefit from our industry
expertise and generate added value - every day.
