KD600M series high-performance vector inverter
PRODUCT FEATURES
- * Compact design, saving installation space
- * Support LCD keypad, parameter copy function
- * Redundant design of hardware solution ensures long-term stable operation
- * PC software, one-key setting,keypad parameter copy, saving customer debugging time
- * Built-in EMC C3 filter, stronger anti-electromagnetic interference ability
- * Independent air duct design prevents dust from contacting the circuit board, better heat dissipation performance
- * Programmable DI/DO/AI/AO
- *MODBUS RS485 communication
- * Integrated PID function support most of water supply applications
- * Integrated multi-speed function support maximum 16 speeds
- * Support fire override mode
Product Features
|
Input Voltage |
208~240V single phase & three phase |
|
380~480V three phase |
|
|
Output Frequency |
0~1200Hz V/F |
|
0~600HZ FVC |
|
|
Control Technology |
V/F , FVC,SVC, Torque Control |
|
Overload capability |
150%@rated current 60S |
|
180%@rated current 10S |
|
|
200%@rated current 1S |
|
|
Simple PLC support max 16-steps speed control |
|
| 4 Digital inputs , support both NPN & PNP | |
| 1 Analog input, 1 analog output,1 High-speed pulse output | |
|
Communication |
MODBUS RS485 |
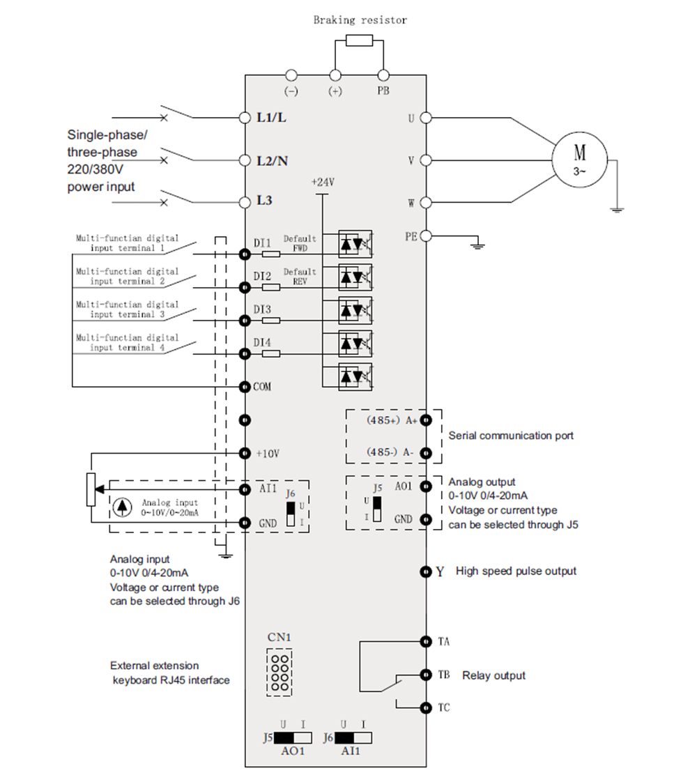
Basic Wiring Diagram
KD600M manual
| Terminal | Terminal Name | Terminal | Terminal Name |
| D1~D4 | Digital Input X5 | AI1 | Analog Input X1 |
| A,B | RS485 X1 | TA,TB,TC | Relay Output X1 |
| X5 | HDI (High Speed Pulse Input /Output) X1 | ||
Model &Dimension
KD600M manual
| Model | Input current(A) | Output current(A) | Dimensions(mm) | Installation size(mm) | Aperture | |||
| H | W | D | A | B | ||||
| Single phase 220V range: -15%~+20% | ||||||||
| KD600M-2S-0.4G | 5.4 | 2.3 | 149 | 83 | 107 | 66 | 136 | Φ5 |
| KD600M-2S-0.7G | 8.2 | 4 | 149 | 83 | 107 | 66 | 136 | Φ5 |
| KD600M-2S-1.5G | 14 | 7 | 170 | 98 | 120 | 80 | 157 | Φ5 |
| KD600M-2S-2.2G | 23 | 9.6 | 170 | 98 | 120 | 80 | 157 | Φ5 |
| Three phase 220V range: -15%~+20% | ||||||||
| KD600M-2T-0.4G | 2.7 | 2.3 | 149 | 83 | 107 | 66 | 136 | Φ5 |
| KD600M-2T-0.7G | 4.2 | 4 | 149 | 83 | 107 | 66 | 136 | Φ5 |
| KD600M-2T-1.5G | 7.7 | 7 | 170 | 98 | 120 | 80 | 157 | Φ5 |
| KD600M-2T-2.2G | 12 | 9.6 | 170 | 98 | 120 | 80 | 157 | Φ5 |
| Three phase 380V range: -15%~+20% | ||||||||
| KD600M-4T-0.7G/1.5P | 3.4/5.0 | 2.1/3.8 | 149 | 83 | 107 | 66 | 136 | Φ5 |
| KD600M-4T-1.5G/2.2P | 5.0/5.8 | 3.8/5.1 | 149 | 83 | 107 | 66 | 136 | Φ5 |
| KD600M-4T-2.2G/3.7P | 5.8/10.5 | 5.1/9.0 | 149 | 83 | 107 | 66 | 136 | Φ5 |
| KD600M-4T-4.0G/4.0P | 10.5/14.6 | 9.0/13.0 | 170 | 98 | 120 | 80 | 157 | Φ5 |
| KD600M-4T-5.5G/7.5P | 14.6/20.5 | 13.0/17.0 | 170 | 98 | 120 | 80 | 157 | Φ5 |
| KD600M-4T-7.5G/9.0P | 20.5/22.0 | 17.0/20.0 | 170 | 98 | 120 | 80 | 157 | Φ5 |
| KD600M-4T-11G/15P | 26.0/35.0 | 25.0/32.0 | 228 | 135 | 160 | 80 | 157 | Φ5 |
| KD600M-4T-15G/18.5P | 35.0/38.5 | 32.0/37.0 | 228 | 135 | 160 | 80 | 157 | Φ5 |
Case Study
OBTAIN SAMPLES
Effective, safe and reliable. Our equipment guarantees the right solution for any requirement. Benefit from our industry
expertise and generate added value - every day.
