KSSHV High Voltage 10KV 6KV solid stage soft starter
AC asynchronous motors are widely used in various fields of the national economy. The direct starting of asynchronous motors has the problems of small starting torque, large starting current, large impact on the power grid, difficulty in starting, large impact on mechanical equipment, short service life of the motor, large maintenance workload, and high maintenance costs.
KSSHV voltage soft starting can reduce the power grid voltage drop caused by the direct start of the motor. The use of this product does not affect the normal operation of other equipment in the common network,and can reduce the impulse current of the motor, which will cause the local temperature rise of the motor to be too large and reduce the life of the motor. It can reduce the mechanical impact caused by direct starting and accelerate the wear of the transmission machinery. Reduce electromagnetic interference, the impact current will interfere with the normal operation of the electrical instrument in the form of electromagnetic waves, high voltage soft start can start and stop freely, improve work efficiency.
High voltage soft start devices include KSSHV-6 standard 6kV solid state soft start device, KSSHV-10 standard 10kV solid state soft start device and KSSHV-E series all-in-one high voltage solid state soft start device.
KSSHV high voltage soft start is suitable for starting AC motors with rated voltage 6-10KV. Products are widely used in large-scale iron and steel, petroleum, chemical, aluminum, fire, mining, sewage treatment,electric power and other industrial fields, can be well used with motor drive equipment. Such as: pumps,fans, compressors, shredders, mixers, belt machines and other mechanical and electrical equipment.
Features
- *The switch cabinet, soft starting cabinet, bypass cabinet three-in-one integrated design, small size, easy to install;
- *Standard configuration includes vacuum circuit breaker and bypass vacuum contactor, no need to prepare operating cabinet or switch cabinet, high design costs will never return;
- *Small size, the volume of the same power is 50% to 60% of other methods of soft starting, easy installation,space saving;
- *The cabinet is made of imported negative aluminum zinc plate, processed by CNC machine tool,
- completely metal armored, assembled structure, wide combination scheme, advanced multiple flanging process, with rivet nut bolt connection, and high precision, corrosion resistance, light weight, high strength,and strong parts versatility;
- *Can be equipped with domestic ZN63A-12(VSI) series or imported VD4 series vacuum circuit breaker,wide applicability, high reliability, to achieve maintenance free;
- *All kinds of handcarts change according to modular building blocks, to ensure that the same specifications of the car can be freely interchangeable, different specifications can not enter;
- *Highly reliable interlocking device, fully meet the "five prevention" requirements;
- *Suitable for installation anywhere, with no distance requirement from other equipment layout;
- *Pressure relief channels are provided in each high pressure chamber to ensure personal safety;
- *The circuit breaker room and cable room can be equipped with heaters respectively to prevent
- condensation and corrosion;
- *The face door is equipped with an observation window to observe the working state of indoor components;
- *Protection level :IP40
Executive standards
- GB4208-2008 "Shell Protection Level (Ip Code)";
- GB/T3 8 5 9 . 2 - 1 9 9 3 "Se m i c o n d u c t o r Converter Application Guidelines";
- IEC 60470 High Voltage AC Contactors;
- GB/T13422-1992 "Electrical Test method for Semiconductor Power converters";
- IEC 61000 Electromagnetic Compatibility;
- GB/ T3859.1-1993 "Basic Requirements for Semiconductor converters";
- GB/T 12173-2008 "Mining general Electrical Equipment";
- JB/Z102 "Technical Conditions for High Voltage Electrical appliances used in high altitude areas";
- GB 1207-2006 "Electromagnetic Voltage Trans former;
- JB/T 10251-2001 "AC Motor Power Electronic Soft Starting Device";
- IEC 60298 "AC metal enclosed Switchgear and Control Equipment above 1KV and below 52KV";
- GB/T 11022-1999 "High voltage switchgear and control equipment standard sharing technical requirements".
Technical Details
| Item | Basic parameter |
| Type of load | Three-phase high voltage squirrel cage induction motor, synchronous motor |
| Alternating current voltage | 6- 10KVAC |
| Operating frequency | 50HZ/60Hz±2Hz |
| Phase sequence | KSSHV allows operation in any phase sequence (configurable by parameter) |
| Bypass contactor | Contactor with direct starting capacity |
| Control power supply | AC220V±15% |
| Instantaneous overvoltage protection | dv/dt absorption network |
| Starting frequency | 1-6 times (per hour) |
| Environmental condition | Ambient temperature: -20。C to +50。C |
| Relative humidity: 5%---95% no condensation | |
| Altitude is less than 1500 meters (more than 1500 meters need to drop capacity) | |
| Operating interface | |
| Language | Chinese and English |
| Data recording | |
| Fault record | Record the latest 100 faults |
| Protection function | |
| Phase loss protection | Disconnect any phase of the main power supply during startup or operation |
| Run overcurrent protection | Overcurrent protection setting: 100 ~ 500%le |
| Phase current unbalance protection | Phase current imbalance protection: 20- 100% |
| Overload protection | Overload protection levels: 10A, 10, 20, 30 |
| Underload protection | Underload protection level: 50 to 100% |
| Underload protection operation time: 0- 10S | |
| Starting timeout | Overvoltage protection when the main supply voltage is higher than 120% of the rated value |
| Overvoltage protection | Undervoltage protection when the main supply voltage is less than 70% of the rated value |
| Phase sequence protection | Allows operation in any phase sequence (can be set by parameters) |
| Ground protection | Protection when the ground current is greater than the set value |
| Communication specification | |
| Communication protocol/interface | Modbus RTU |
| Network connection | Each KSSHV can communicate with 32 KSSHV devices |
| Feature | Through the communication interface can observe the running state, programming |
| Instrument display | |
| Main supply voltage | Displays the three-phase main power supply voltage |
| Three-phase current | Displays three-phase main circuit current |
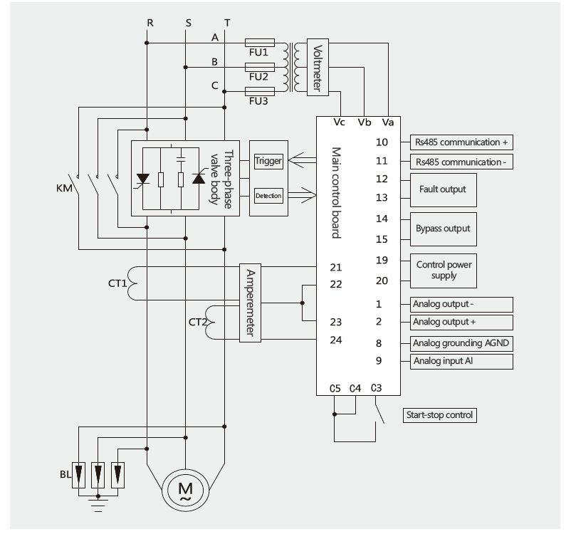
Basic Wiring Diagram
Model & Dimension
| Model | Rated Voltage | Rated Power | Rated Current | Dimensions W*H*D(mm) | |
| (KV) | (kW) | (A) | G Conventional Model | E Integrated Model | |
| Input: Three Phase 6KV Output: 6KV Three Phase | |||||
| KSSHV-6T-420G | 6kV | 420 | 50 | 1000*2300*1500 | 1000*2300*1500 |
| KSSHV-6T-630G | 6kV | 630 | 75 | 1000*2300*1500 | 1000*2300+1500 |
| KSSHV-6T-800G | 6kV | 800 | 96 | 1000*2300*1500 | 1000*2300*1500 |
| KSSHV-6T-1000G | 6kV | 1000 | 120 | 1000*2300*1500 | 1000*2300*1500 |
| KSSHV-6T-1250G | 6kV | 1250 | 150 | 1000*2300*1500 | 1000*2300*1500 |
| KSSHV-6T-1600G | 6kV | 1600 | 200 | 1000*2300*1500 | 1000*2300*1500 |
| KSSHV-6T-1800G | 6kV | 1800 | 218 | 1000*2300*1500 | 1000*2300*1500 |
| KSSHV-6T-2250G | 6kV | 2250 | 270 | 1000*2300*1500 | 1000*2300*1500 |
| KSSHV-6T-2500G | 6kV | 2500 | 300 | 1000*2300+1500 | 1000*2300*1500 |
| KSSHV-6T-3300G | 6kV | 3300 | 400 | 1000*2300*1500 | 1000*2300*1500 |
| KSSHV-6T-4150G | 6kV | 4150 | 500 | Tailor Model | Tailor Model |
| KSSHV-6T-5000G | 6kV | 5000 | 600 | Tailor Model | Tailor Model |
| Input: Three Phase 10KV Output: 10KV Three Phase | |||||
| KSSHV-10T-420G | 10kV | 420 | 30 | 1000*2300*1500 | 1000*2300*1500 |
| KSSHV-10T-630G | 10kV | 630 | 45 | 1000*2300*1500 | 1000*2300*1500 |
| KSSHV-10T-800G | 10kV | 800 | 60 | 1000*2300*1500 | 1000*2300*1500 |
| KSSHV-10T- 1000G | 10kV | 1000 | 73 | 1000*2300*1500 | 1000*2300+1500 |
| KSSHV-10T-1250G | 10kV | 1250 | 90 | 1000*2300*1500 | 1000*2300*1500 |
| KSSHV-10T- 1600G | 10kV | 1600 | 115 | 1000*2300*1500 | 1000*2300*1500 |
| KSSHV-10T1800G | 10kV | 1800 | 130 | 1000*2300*1500 | 1000*2300*1500 |
| KSSHV-10T-2250G | 10kV | 2250 | 160 | 1000*2300*1500 | 1000*2300*1500 |
| KSSHV-10T-2500G | 10kV | 2500 | 180 | 1000*2300*1500 | 1000*2300*1500 |
| KSSHV-10T2800G | 10kV | 2800 | 200 | 1000*2300*1500 | Tailor Model |
| KSSHV-10T-3300G | 10kV | 3300 | 235 | 1000*2300*1500 | Tailor Model |
| KSSHV-10T-3500G | 10kV | 3500 | 250 | 1000*2300*1500 | Tailor Model |
| KSSHV-10T-4000G | 10kV | 4000 | 280 | 1000*2300*1500 | Tailor Model |
| KSSHV-10T-4500G | 10kV | 4500 | 320 | 1000*2300*1500 | Tailor Model |
| KSSHV-10T-5500G | 10kV | 5500 | 400 | 1000*2300*1500 | Tailor Model |
| KSSHV-10T-6000G | 10kV | 6000 | 430 | 1000*2300*1500 | Tailor Model |
| KSSHV-10T-7000G | 10kV | 7000 | 500 | 1000*2300*1500 | Tailor Model |
| KSSHV-10T-8500G | 10kV | 8500 | 600 | 1000*2300*1500 | Tailor Model |
| KSSHV-10T-10000G | 10kV | 10000 | 720 | Tailor Model | Tailor Model |
| KSSHV-10T-15000G | 10kV | 15000 | 1080 | Tailor Model | Tailor Model |
Case Study
OBTAIN SAMPLES
Effective, safe and reliable. Our equipment guarantees the right solution for any requirement. Benefit from our industry
expertise and generate added value - every day.
